
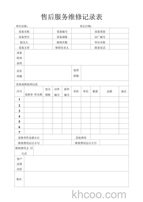
平时工作中我们经常会做一些表格记录我们的数据,如果我们是淘宝卖家或者美工要做一些表格(售后服务)用于我们的店铺,我们该如何做呢?用Dreamweaver还是用ps切片不切图,如果是一些简单的表格用这些东西可以做,但是如果复制的表格,我尝试了不同的方法,得出的结论是:用excel结合Photoshop来做最为简单。
首先,我们打开excel,录入文字和文字格式以及颜色样式,做成我们需要的表格样式。
后面的一条我们需要和平居中,点击“合并居中”。
点击“向上对齐”,不然我们在居中的单元格中输入文字的时候,文字会在最下面。
把我们需要录入的文字用记事本写好后,直接复制到excel居中的单元格中。
调整字体大小,让字体出现在整个单元格中,让整个表格看起来协调。
做好了表格后,我们一定要检查,我们的表格是不是在一页中,如果不在一页中,我们把表格导入到Photoshop的时候,只能得到表格一部分,所以,我们必须先确保我们的表格在一页中。点击“视图”,点击“页面布局”,看看表格是否在虚线框之内,如果不在虚线范围内,则,全部选中单元格一起调整。
调整在虚线范围内之后即在一页之内,点击“另存为”PDF类型。
最后,用Photoshop将保存的PDF文件打开,就会得到我们的整个表格。
由于,我没有在excel里面设置表格的颜色,字体的颜色,所以,导入到Photoshop里面之后是透明的,如果我们背景设置为红色,字体设置会黄色,那么我们就可以得到这样的表格。
以上就是用ps结合excel制作出复制淘宝售后服务表格方法介绍,操作很简单的,有需要的朋友可以参考本文,希望能对大家有所帮助!